產品名稱:扭矩傳感器,扭力傳感器,動態扭力傳感器,動態扭矩傳感器
產品型號:CAZF-TD93
特點與用途:
- 不銹鋼材質
- 應變式原理,精度高,重復性好,性能穩定可靠
- 沒有集流環等磨損件,可高速長時間運轉,輸出正反轉扭矩信號
- 兩端均為鍵連接,安裝使用方便
- 響應頻率高
- 最高轉速可達1800轉/分鐘
- 適用于動態扭矩扭力的測量
技術參數:

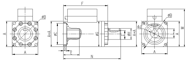
外形尺寸:


本扭矩傳感器輸出毫伏信號,需配變送器(放大器)或顯示控制儀
變送器:
1、數字型(RS23S或RS485)
2、模擬型(電流4-20mA,電壓0-5V/0-10V)
顯示控制儀:
標配RS485\晶體管開關量輸出,選配RS232或模擬量
具體請聯系我司工程師或微信咨詢



