產品名稱:三維力傳感器,三軸力傳感器,多維力力傳感器
產品型號:CAZF-3D120
特點與用途:
三軸測力
應變式原理
- 合金鋼材質
- 結構小巧,安裝簡單方便
- 精度高,重復性好
- 動態響應頻率高
- 適用于0-3000N范圍內三維力的測量與控制
技術參數:


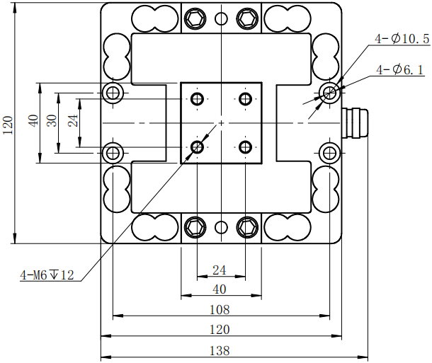
外形尺寸:


受力方式:


咨詢熱線0755-23406601


產品名稱:三維力傳感器,三軸力傳感器,多維力力傳感器
產品型號:CAZF-3D120
特點與用途:
三軸測力
應變式原理





技術支持:滄正傳感|